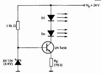
El resistor Re determina la corriente en el LED y se puede cambiar. El circuito es de un manual de optoelectrónica de 1978 de Texas Instruments. Se pueden utilizar transistores bipolares de propósito general como BC548.

Fuente de corriente constante bipolar para LED



