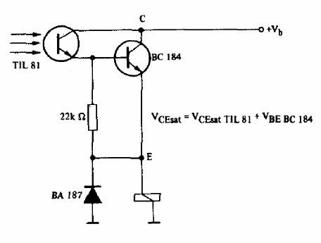
Este circuito se encontró en una documentación técnica de Texas Instruments, utilizando un fototransistor común en ese momento (1978). Se pueden utilizar componentes equivalentes más modernos. La tensión de alimentación depende del relé utilizado.

Foto Darlington de activación de relé



