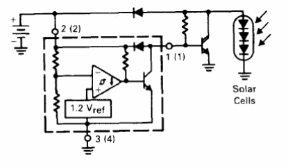
El circuito integrado utilizado en este cargador no es muy común en la actualidad. El circuito es del Linear Databook de 1990 de Motorola.

Cargador solar con MC34064
El circuito integrado utilizado en este cargador no es muy común en la actualidad. El circuito es del Linear Databook de 1990 de Motorola.
