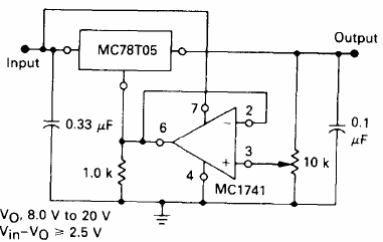
El circuito que se muestra es del Linear Databook de Motorola de 1990. Se basa en el regulador de la serie T de Motorola para 3 A. Este componente debe tener un disipador de calor.

Regulador 3 A MC78T05
El circuito que se muestra es del Linear Databook de Motorola de 1990. Se basa en el regulador de la serie T de Motorola para 3 A. Este componente debe tener un disipador de calor.
