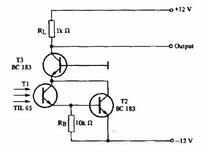
Con el circuito que se muestra, puede responder rápidamente a una configuración de Darlington. El circuito es del manual de optoelectrónica de Texas Instruments. Se pueden utilizar transistores equivalentes como el BC548. La fuente es simétrica.

Foto Darlington rápido



