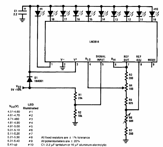
Este circuito monitorea con precisión una fuente TTL de 5 V. El circuito es del Manual de Aplicaciones Lineales de National Semiconductor.

TTL Voltímetro Bargraph LM3914
Este circuito monitorea con precisión una fuente TTL de 5 V. El circuito es del Manual de Aplicaciones Lineales de National Semiconductor.
