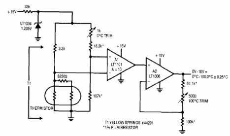
El circuito presentado utiliza operacionales de Linear Technology, que se encontraron en un manual de 1993. No es necesario que la fuente sea simétrica y se pueden utilizar operacionales equivalentes.

Puente para termistor
El circuito presentado utiliza operacionales de Linear Technology, que se encontraron en un manual de 1993. No es necesario que la fuente sea simétrica y se pueden utilizar operacionales equivalentes.
