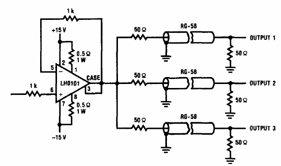
El circuito que se muestra es del Manual de Aplicaciones Lineales de National Semiconductor de 1994. El componente semiconductor utilizado no es muy común en la actualidad.

Driver para cable coaxial
El circuito que se muestra es del Manual de Aplicaciones Lineales de National Semiconductor de 1994. El componente semiconductor utilizado no es muy común en la actualidad.
