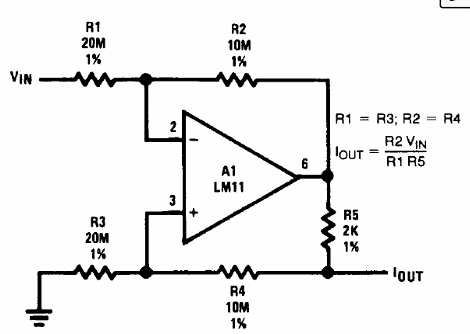
Este circuito es de National Semiconductor usando un LM11, lo cual es poco común en la actualidad. El circuito se puede implementar con otros operacionales y las fórmulas para calcular los componentes se adjuntan al diagrama.

Convertidor de corriente a tensión



