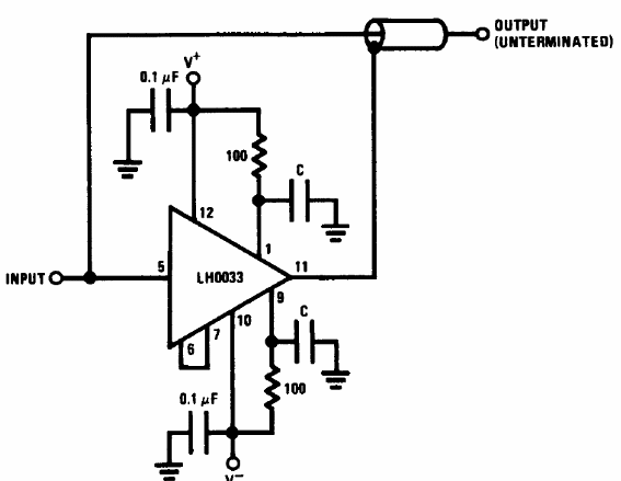
El circuito es de la documentación de National Semiconductor de 1994. El componente no es muy fácil de obtener, pero hay equivalentes que se pueden buscar.

Conductor de línea de alta velocidad
El circuito es de la documentación de National Semiconductor de 1994. El componente no es muy fácil de obtener, pero hay equivalentes que se pueden buscar.
