El circuito integrado utilizado en este proyecto de National Semiconductor no es el más común y la corriente máxima es del orden de unos pocos miliamperios. El circuito es del Manual de Aplicaciones Lineales de 1994.

Regulador de corriente LM10
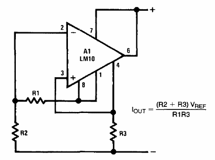
El circuito integrado utilizado en este proyecto de National Semiconductor no es el más común y la corriente máxima es del orden de unos pocos miliamperios. El circuito es del Manual de Aplicaciones Lineales de 1994.
