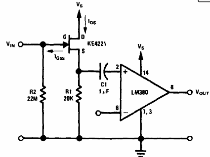
En la figura tenemos la forma de agregar un FET (BF245 o equivalente) a un amplificador con el LM380 para obtener una impedancia de entrada muy alta. El circuito es del Linear Applications Handbook de National Semiconductor de 1994. La alimentación puede estar entre 9 y 14 V y la potencia máxima es del orden de 3,5 W.

Impedancia de entrada alta para el LM380



