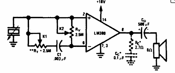
Este circuito se encontró en el Linear Applications Handbook de National Semiconductor de 1994. El circuito proporciona alrededor de 2 W de salida y tiene controles de tono y volumen de modo común.

Amplificador LM380 de 2 W con control de tono em modo común



