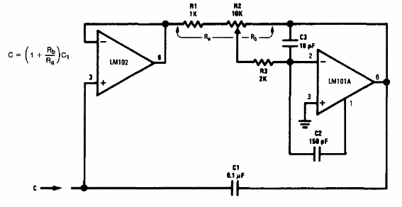
Encontramos este circuito en el Linear Applications Handbook de National Semiconductor de 1994. La configuración se puede adaptar para utilizar amplificadores operacionales más modernos. La fuente de alimentación debe ser simétrica y la fórmula para calcular los componentes se adjunta al diagrama.

Multiplicador de capacitancia variable



