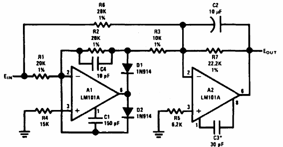
El circuito que se muestra se encontró en el Linear Applications Handbook de National Semiconductor de 1994. El circuito puede diseñarse con otros operacionales y los componentes pueden ser aproximados por otros de menor precisión si no es necesario. La fuente de alimentación debe ser simétrica.

Convertidor de CA a CC



