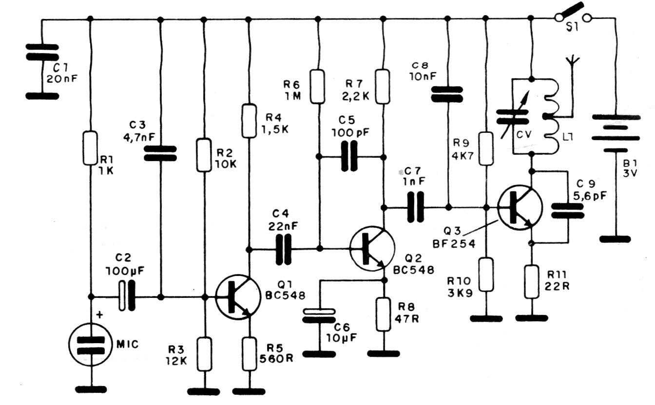
Este pequeño transmisor de FM tiene una etapa de modulación sensible y, por lo tanto, es adecuado para escuchar conversaciones. La bobina tiene 2 + 2 vueltas de hilo 26 o 26 en forma de 1 cm sin núcleo. La antena puede ser telescópica, lo que da como resultado un alcance de unos 100 metros, dependiendo de las condiciones de propagación.




