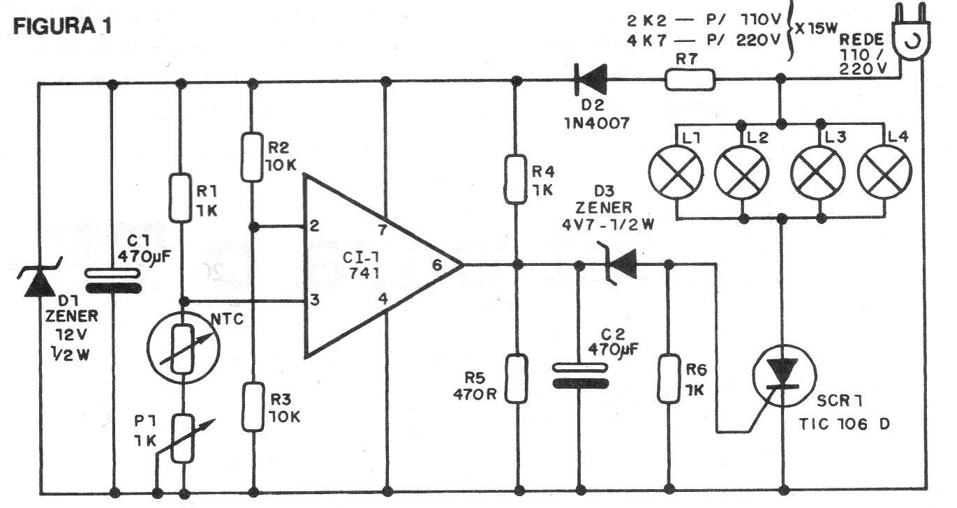
Este circuito controla la temperatura de los elementos calefactores, que pueden ser lámparas recubiertas de material que impide el paso de la luz, en una incubadora electrónica. La lámpara debe estar tapada para que la luz no siga a los polluelos que nacen. El circuito está alimentado por la red eléctrica y el SCR debe estar equipado con un disipador de calor. El sensor colocado en la criadora es un NTC.




