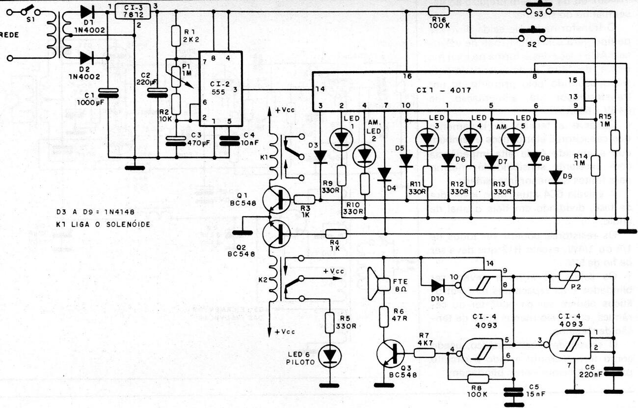
Este circuito, a partir de una documentación de 1988, hace que la ducha sea sucesiva para controlar la absorción del jabón, lo que no ocurre con un chorro continuo. El circuito consta de un temporizador de secuencia que se activa cuando se presiona el botón. Recuerde que se debe tener cuidado con el aislamiento y también que se deben controlar las corrientes intensas.




