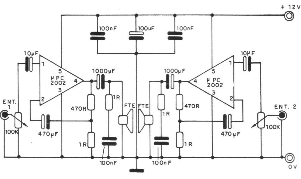
Este amplificador en puente tiene una excelente calidad de sonido y requiere una fuente con al menos 4 A de corriente. Los circuitos integrados deben montarse en buenos radiadores de calor. El circuito es estéreo.

 

Amplificador de 20 W
Amplificador de 20 W | Haga click en la imagen para ampliar |