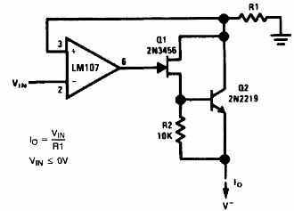
Este circuito proporciona una corriente dada por los componentes calculados de acuerdo con la fórmula al lado del diagrama. La corriente máxima depende de Q2, que es del orden de 200 mA para 2N2219 y 500 mA para BD136. El FET puede ser el BF245. El circuito se aplica a otros operacionales.

Fuente de corriente de precisión



