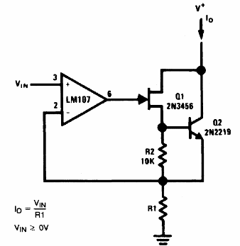
Este circuito es del Linear Application handbook de 1994. El amplificador operacional puede ser equivalente y los transistores pueden ser equivalentes. Podemos usar BF245 para FET y hi BD135 para corrientes de hasta 500 mA como Q2.

Drenaje de corriente de precisión



