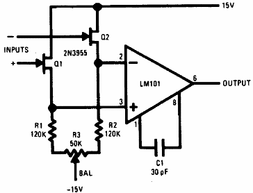
En la figura tenemos la forma de obtener un amplificador operacional con FETs en la entrada, utilizando uno operacional común que puede ser de un tipo más moderno. El circuito es del manual de aplicaciones lineales de National Semiconductor. Los FET pueden ser el BF245.

Operacional con FET



