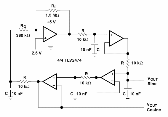
Esta configuración con 4 operacionales genera una señal de aproximadamente 1,5 kHz, habiéndose encontrado en una documentación de Texas Instruments. La señal es sinusoidal y la frecuencia se puede cambiar cambiando los componentes R y C del circuito. La frecuencia máxima dependerá de las características de los amplificadores operacionales utilizados.

Oscilador Bubba



