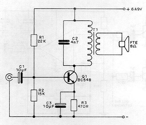
Este paso de salida de audio de baja potencia (unos cientos de miliwatts) utiliza un transformador de salida que utiliza una vieja radio de transistores o una grabadora a batería. El resistor R5 debe eventualmente cambiarse para obtener mayor fidelidad de señal y menor consumo. El circuito puede funcionar con baterías. Para utilizarlo como amplificador de MP3 u otro equipo con auriculares, puede que sea necesario conectar un resistor de 100 ohms en paralelo con la entrada de paso. Ajuste el volumen de la fuente de señal a la salida deseada, con una distorsión mínima. El condensador C2 sirve como control de tono y se puede cambiar. Su disminución aumenta los agudos.




