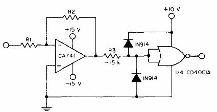
Este circuito es del Circuito Integrado RCA CMOS de 1977 del RCA de 1977. La fuente de alimentación de los dos circuitos puede ser diferente y la fuente de alimentación del operacional simétrica. Se pueden utilizar otras funciones CMOS inversoras.

Interfaz com Operacional CMOS



