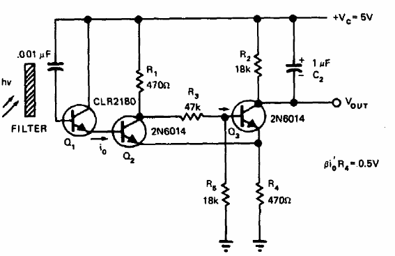
Conseguimos este circuito en una publicación antigua de 1978. El circuito usa un fototransistor y un filtro de infrarrojos. Los transistores NPN pueden ser el BC548 y el fototransistor de cualquier tipo. La salida es compatible con la lógica TTL.

Alarma de fuego



