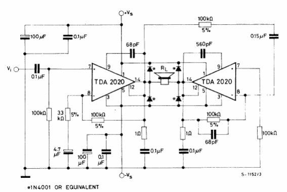
Con una fuente de alimentación simétrica de 17 V y una carga de 8 ohms este amplificador proporciona una potencia de 30 W. El circuito es del manual de circuitos integrados lineales SGS y tiene una distorsión menor al 1%.

Amplificador BTL de 30 W con TDA2020



