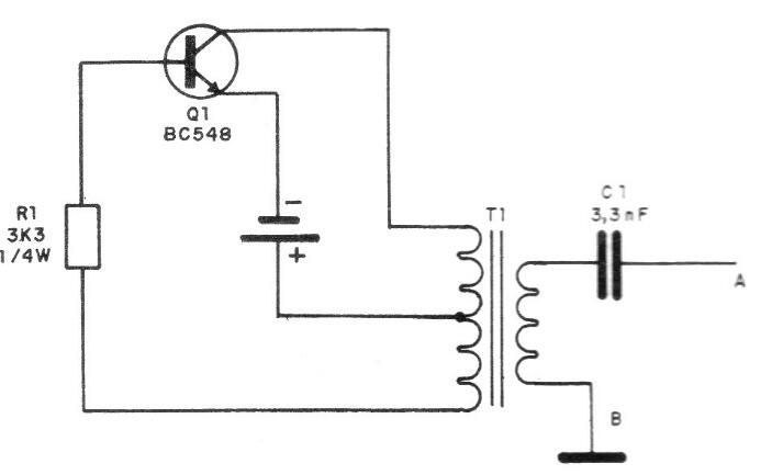
Este sencillo oscilador Hartley que utiliza un transformador de salida de radio transistorizado genera una buena señal de prueba de intensidad. El circuito puede ser alimentado por una o dos baterías pequeñas y un capacitor de 10 nF en paralelo con R1 y otro de 22 nF en paralelo con el primario del transformador mejoran su rendimiento.




