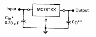
Los circuitos integrados de la serie T de Motorola pueden regular tensiones cons de hasta 3 A. xx es la tensión deseada en la salida. El circuito es del Linear Databook de 1990.

Regulador 3 A con MC78Txx
Los circuitos integrados de la serie T de Motorola pueden regular tensiones cons de hasta 3 A. xx es la tensión deseada en la salida. El circuito es del Linear Databook de 1990.
