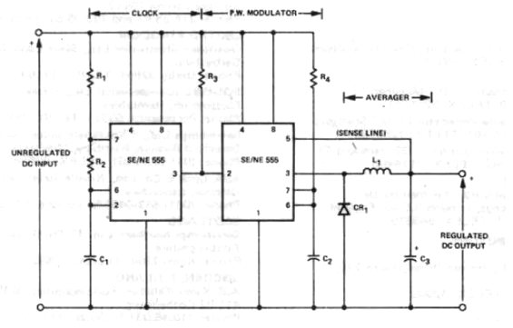
Los valores de los componentes de este circuito Mullard (Philips) dependen de las tensiones deseadas. El circuito es de una documentación antigua sobre el 555.

555 Regulador Conmutado
Los valores de los componentes de este circuito Mullard (Philips) dependen de las tensiones deseadas. El circuito es de una documentación antigua sobre el 555.
