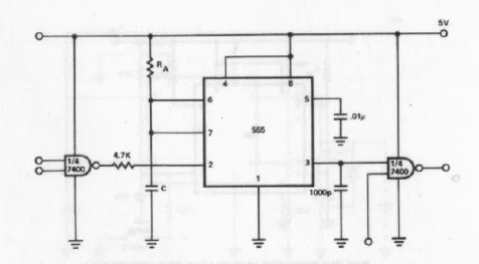
Este monoestable con el 555 se activa mediante señales TTL y proporciona señales TTL de salida. El circuito es de Mullard (Philips) de una publicación antigua y el tiempo depende de Ra y C.

TTL monoestable 555
Este monoestable con el 555 se activa mediante señales TTL y proporciona señales TTL de salida. El circuito es de Mullard (Philips) de una publicación antigua y el tiempo depende de Ra y C.
