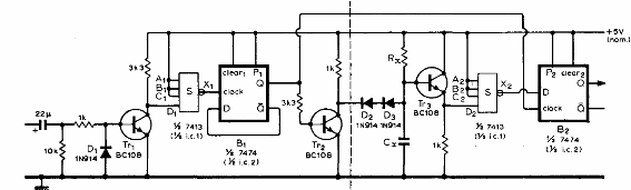
El circuito que se muestra es de una antigua publicación en inglés y puede usar transistores BC548 en lugar de los originales. Con los valores de los componentes utilizados, para Rx 150k y Cx 15 nF el tono decodificado es 900 Hz. Estos componentes pueden cambiarse a otras frecuencias y la alimentación debe hacerse con 5 V.

Decodificador TTL de Tono



