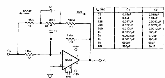
En la figura tenemos el bloque básico para la ecualización de un canal, pudiendo utilizarse uno más moderno de funcionamiento como el 741. La alimentación debe ser realizado por una fuente simétrica de 6 a 15 V. La tabla proporciona los valores para las diferentes frecuencias de ecualización. El circuito es de un manual de amplificador operacional de 1978.

Ecualizador gráfico con operacional



