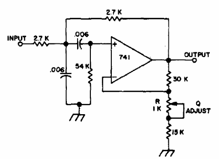
Este filtro se diseñó originalmente para recibir señales telegráficas (CW), pero se puede utilizar para otros fines. La alimentación debe ser simétrica. Encontramos el circuito en una publicación de radioaficionados de 1973.

Filtro 741 con Q variable



