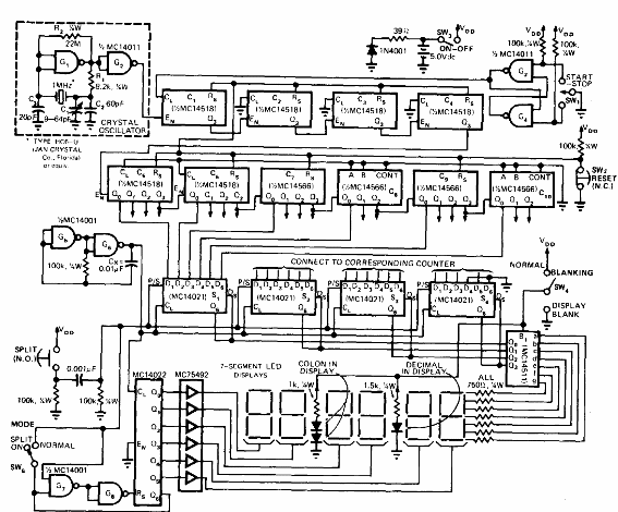
Este circuito CMOS se encontró en una publicación técnica estadounidense de la década de 1970. El circuito proporciona indicación de horas, minutos y segundos en 6 pantallas de 7 segmentos. El circuito se puede alimentar con baterías recargables. Los cuales, por su bajo consumo, con lectura solo cuando se presiona el interruptor tendrán una gran durabilidad.

Reloj digital de seis dígitos



