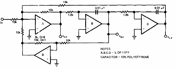
Este filtro de segundo orden se encontró en una publicación de 1978 y puede usar amplificadores operacionales comunes como el 741. La fuente debe ser simétrica y los capacitores pueden cambiarse para operar en otras frecuencias.

Filtro de 10 kHz con Variable Q



