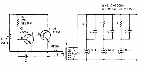
Este circuito hace que las lámparas de neón parpadeen aleatoriamente desde una fuente de baja tensión (1,5 a 3 V). El transformador puede ser un transformador de potencia pequeño con secundario de 6 V y corriente de 50 a 200 mA. La velocidad del efecto depende de los capacitores y resistoress junto a las lámparas de neón.

Flash aleatorio de neón



