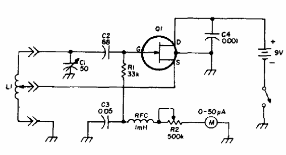
Esta es una versión MOSFET de un medidor de inmersión de red para frecuencias entre 1.8 MHz y 150 MHz, dependiendo solo de la bobina utilizada. El FET puede ser el MPF102 o BF245 y el instrumento puede ser el rango de corriente más bajo de un multímetro ordinario. El circuito es de una publicación de 1977.

Gate Dipper



