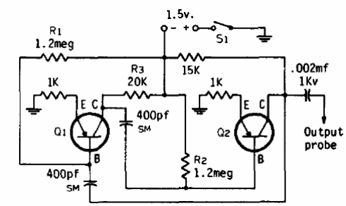
Los transistores en este circuito pueden ser el BC548 y la alimentación se puede realizar con 1,5 V o 3 V. La frecuencia está dada por los capacitores que pueden tener sus valores aproximados a los estándares actuales. El circuito es de una publicación de 1973.

Inyector de señal



