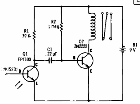
Este circuito es de la documentación de Radio Shack de 1976. Detecta cuando ocurren variaciones rápidas en la luz que incide en el fototransistor. Se puede utilizar cualquier fototransistor y la alimentación se puede realizar con 12 V para utilizar un relé de esta tensión. Los resistores R1 y R2 se pueden cambiar según la sensibilidad deseada.

Detector de variación de luz



