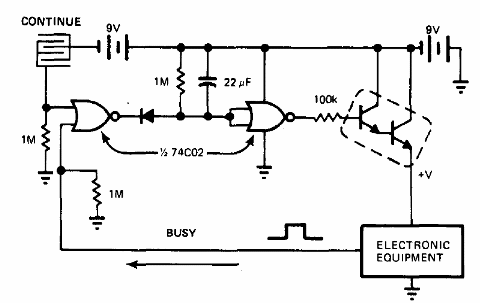
Encontramos este circuito en una publicación de 1978. Se pueden hacer varios cambios, dependiendo de la aplicación deseada. El circuito apaga la carga después de aproximadamente 15 segundos de activar el sensor. El Darlington puede ser cualquiera de la serie TIP, dependiendo de la carga controlada, o se puede utilizar un relé. No use una fuente sin un transformador para alimentar el circuito.




