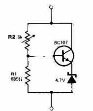
La figura muestra cómo implementar un diodo Zener de 5 a 45 V con una corriente máxima de 50 mA utilizando un transistor de propósito general. Se puede utilizar el BC548 equivalente moderno.

Diodo Zener variable
La figura muestra cómo implementar un diodo Zener de 5 a 45 V con una corriente máxima de 50 mA utilizando un transistor de propósito general. Se puede utilizar el BC548 equivalente moderno.
