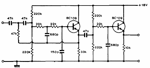
El scratch es el ruido de rayado que se produce en los discos rayados viejos y el estruendo es el ruido de baja frecuencia causado por la oscilación del motor. Este circuito, de una publicación de 1973 con frecuencias de corte de 37 Hz y 25 kHz, corta estos ruidos, haciendo posible recuperar señales de discos en otros medios modernos. Los transistores pueden ser BC549 y los cables de señal deben estar apantallados.




