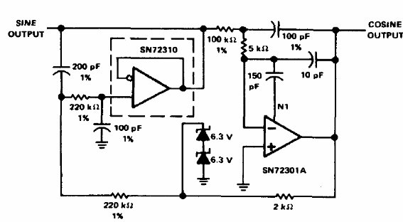
Este circuito es de un manual de Texas Instruments de 1973. El circuito utiliza operarios de Texas que deben ser alimentados por una fuente simétrica de 18 V.

Convertidor sinusoidal a cosenoidal
Este circuito es de un manual de Texas Instruments de 1973. El circuito utiliza operarios de Texas que deben ser alimentados por una fuente simétrica de 18 V.
