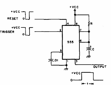
Esta configuración muy popular se encontró en una documentación de 1976. Tenga en cuenta el uso de la entrada del pino 4 para reset. La constante de tiempo viene dada por aproximadamente 1,1 x R x C. El valor mínimo de R es 1k. y el rango de tensión de alimentación puede oscilar entre 5 y 15 V.

555 Monoestable con disparo negativo y reset



