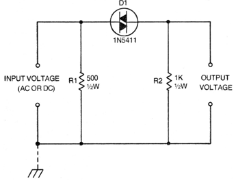
Este circuito proporciona una tensión en la salida solo cuando la tensión de entrada excede un valor que depende del diac. Los diacs generalmente se especifican para tensiones entre 25 y 30 V. El circuito se basa en documentación técnica sobre tiristores de la década de 1970. La tensión de disparo depende solo del diac utilizado.

Interruptor de tensión con Diac



