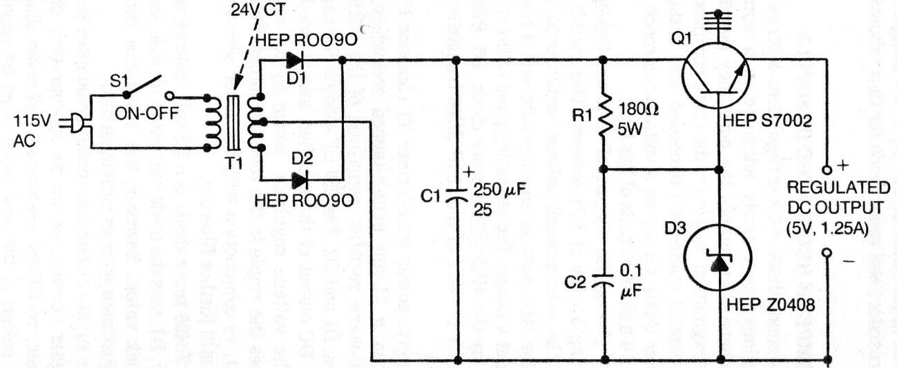
Esta fuente de configuración común se obtuvo de la documentación anterior, por lo que los componentes se pueden cambiar para que el proyecto sea viable hoy. Podemos utilizar diodos 1N4002 o 1N4004 y el transformador puede ser de 9 + 9 V o 12 + 12 V con 1,25 A o incluso 1 A. El capacitor del filtro es 220 uF o incluso 470 uF. El transistor puede ser el TIP31 con radiador y el zener es 5V6. El circuito se puede cambiar para proporcionar otras tensiones de salida.




