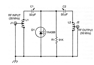
Este circuito duplica la frecuencia de una señal usando un varicap. En este caso, la entrada es de 28 MHz y la salida de 56 MHz. L1 contra 7 vueltas de hilo 14 con toma central y forma de 2,5 cm. L2 consta de 5 bucles de io 14 en forma de 2,5 cm con enchufe central. El circuito se puede modificar para operar en otras frecuencias según las características del varicap. El circuito es de una publicación de 1976.




