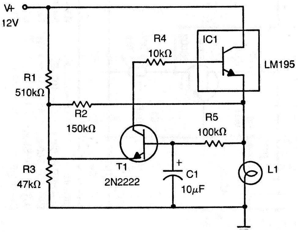
Este circuito se encontró en una antigua publicación estadounidense. Utiliza un circuito integrado que consta de un transistor de potencia. Podemos elaborar la misma configuración con un Darlington 1A o incluso con un transistor común como el TIP31. El circuito es apto para uso automotriz. El transistor T1 también puede ser un BC548.




