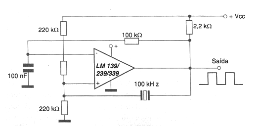
Se pueden obtener frecuencias de hasta un poco más de 100 kHz con un oscilador basado en uno de los cuatro comparadores de tensión en el circuito integrado LM139 / 239 o 33i9, como se muestra en la figura. La alimentación se puede realizar con tensiones de 5 a 12 V y la señal obtenida en la salida es rectangular con un ciclo activo de aproximadamente 50%. Los otros comparadores del mismo circuito integrado se pueden utilizar en otras aplicaciones, ya que son independientes. Observe la existencia de la resistencia pull-up necesaria para el circuito ya que su salida se realiza con un transistor con el colector abierto.




